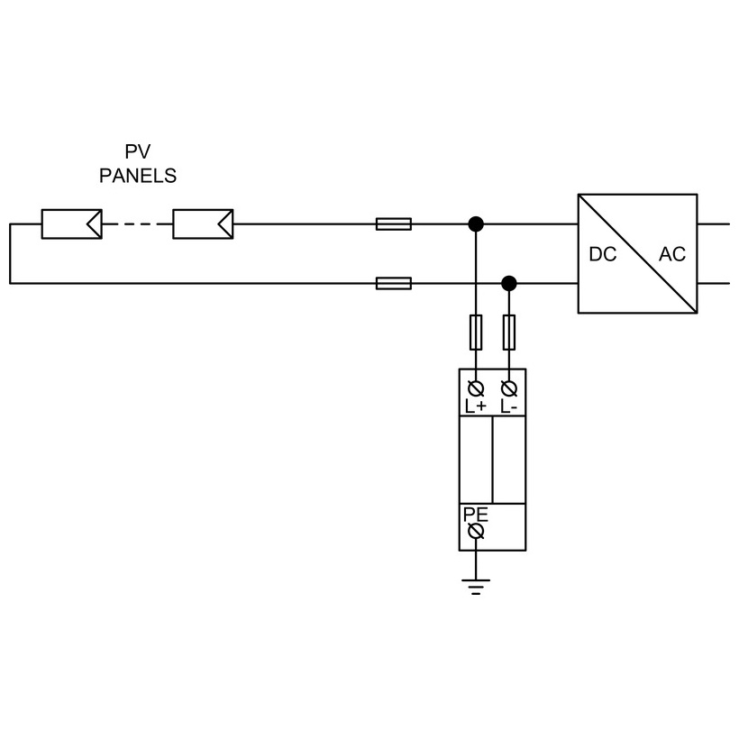
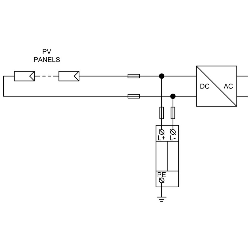
Protección de CC especialmente diseñada para matrices fotovoltaicas.
Estos pararrayos tipo 2 protegen las cadenas fotovoltaicas, las barras colectivas y las entradas de los inversores de las sobretensiones transitorias causadas por eventos de rayos o operaciones de conmutación. Aseguran la unión equipotencial de las barras colectivas PV positivas y negativas y ayudan a mantener el tiempo de actividad del sistema en todos los niveles de protección del rayo (LPL I - IV).
Conexión u o Y: elija lo que necesita su diseño.
U Conexión: Topología de protección convencional para circuitos PV DC.
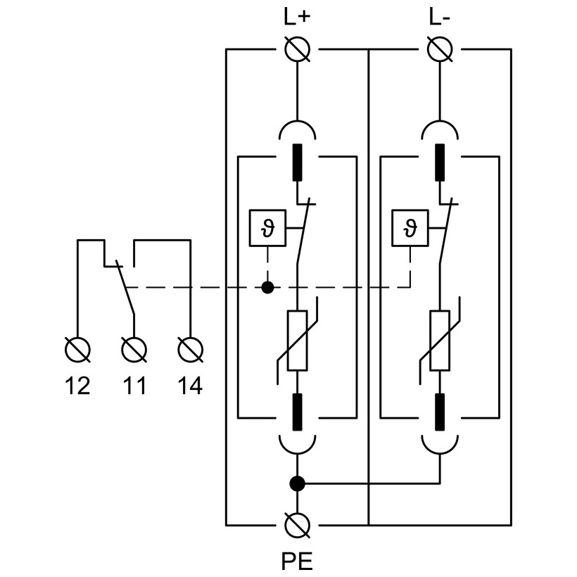
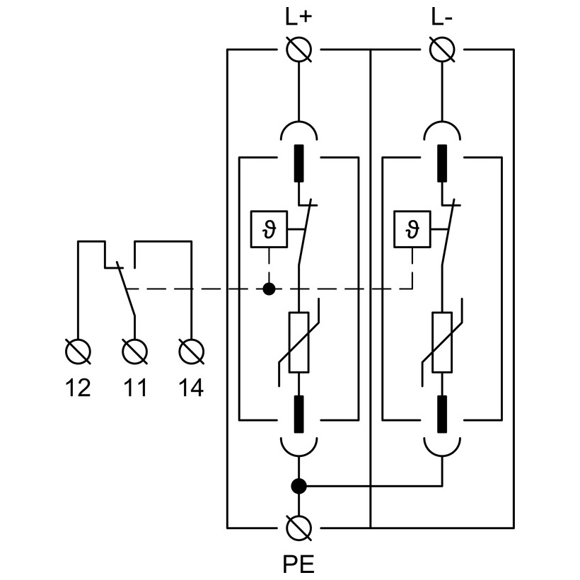
Y Conexión: Varistores dispuestos a PE para que los conductores de trabajo permanezcan resistentes a la Tierra y hay corriente residual (fuga) cero a través del conductor de PE, mejorando el comportamiento de EMC y minimizando las rutas de corriente molestas.
Seguridad incorporada: no se requiere fusible de respaldo.
Los sectores de varistores particulares entre L+, L- y PE están equipados con desconectores térmicos internos. Cuando un varistor alcanza el final de la vida (sobrecalentamiento), el desconcertador se dispara, lo que indica visiblemente una falla e interrumpe la corriente de CC. Gracias a su construcción especial, estos pararqueros se pueden instalar sin un fusible de respaldo separado (sujeto a la coordinación del sistema).
Implementación flexible con o sin LP externos.
Instale en el lado de CC de los sistemas fotovoltaicos sin un sistema de protección de rayos externo (LPS) o con un LPS cuando se mantiene la distancia de separación requerida "S". Esto admite la integración segura en nuevas compilaciones y modificaciones por igual.
Opciones de servicio y monitoreo.
M Indicación: Versión con un módulo de protección extraíble (complemento) para un reemplazo rápido.
S Indicación: Versión con contacto de monitoreo remoto para la señalización de estado a los relés SCADA/PLC/ALARM.
Aplicaciones típicas
Cadenas fotovoltaicas, cajas combinadoras/re-combinadores e entradas de CC del inversor
Instalaciones de PV a escala de servicios públicos, comerciales e industriales e tooftop
Sitios con o sin LP externos donde se observa la distancia de separación "S"
Características clave de un vistazo
Tipo 2 Arrestador de sobretensiones para sistemas PV DC (conexión U o Y)
Y Ventaja de conexión: conductores de trabajo resistentes a la tierra y fuga de PE cero
Disconectores térmicos internos en las rutas de varistores (L+, L-, PE)
DC Interrupción actual de falla; No se requiere fusible de respaldo
Adecuado para todos los niveles de LPL; admite la unión equipotencial
M = módulo extraíble; S = Contacto de monitoreo remoto

