Proteja los suministros de CC con la supresión probada de sobretensiones compatible con los estándares.
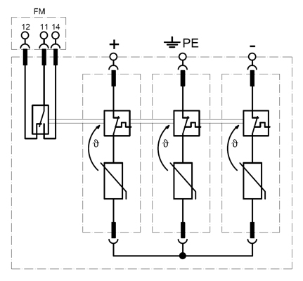
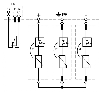
Este dispositivo de protección de sobretensión Tipo 2 de CC (SPD) protege los sistemas de potencia CC sensibles de las sobretensiones transitorias en el límite LPZ 0B - 1 y más allá. Un contacto de cambio remoto integrado (FM) permite una señalización sencilla de estado/alarma a PLCS, BMS o SCADA, admitiendo mantenimiento proactivo y notificación rápida de fallas.
Construido para paneles industriales y espacios ajustados.
Diseñado para una instalación rápida y limpia en un riel DIN de 35 mm por EN 60715, la unidad ocupa solo 54 mm de espacio ferroviario, ideal para gabinetes de control densos y proyectos de modernización. Su grado de protección IP20 (IEC/EN 60529) ayuda a salvaguardar a los operadores durante el trabajo de panel mientras mantiene la compacidad.
Rendimiento certificado y durabilidad.
El cumplimiento de IEC/EN 61643-11 garantiza que el dispositivo cumpla con los rigurosos requisitos de SPD de tipo 2 para aplicaciones DC. La robustez mecánica se verifica mediante la vibración (DIN EN/IEC 60068-2-6) y los estándares de prueba de choque (DIN EN/IEC 60068-2-27), mientras que el material del recinto cumple con una clase de inflamabilidad de UL 97 V0. La certificación EAC admite el despliegue en los mercados euroasiáticos relevantes.
Aplicaciones típicas
Protección de la fuente de alimentación de DC en automatización industrial y control de procesos
Distribución de CC fotovoltaica y paneles de equilibrio de sistemas
Telecom y centro de datos DC Power Bays
Subsistemas DC de transporte e infraestructura DC
Especificaciones clave (de un vistazo)
Contacto de cambio remoto (FM) para la señalización de estado
SPD Tipo 2 para suministros de DC
Aplicable en LPZ 0B - 1 límite y mayores zonas de protección
Estándar de prueba: IEC 61643-11 / EN 61643-11
Vibración: DIN EN 60068-2-6 / IEC 60068-2-6
Choque: su EN 60068-27 / IEC 60068-27
Montaje: riel DIN de 35 mm (EN 60715)
Grado de protección: IP20 (IEC/EN 60529)
Se requiere espacio: 54 mm
Clase de inflamabilidad: UL 97 V0
Certificación: EAC
